Authors: Yeryn Kim Unbekannter Benutzer (go52qem) Uzay Özkasap
Supervisor: Markus Sailer
1.1. Introduction
1.1.1. Definition of Brake Noise
Brake noise is a widely studied issue in automotive engineering due to its impact on passenger comfort, vehicle performance, and customer perception of quality. It is a complex phenomenon that can manifest in various forms, each with distinct frequency ranges, excitation mechanisms, and underlying causes.
The provided figure categorizes different types of brake noise based on their excitation type and their frequency spectrum, ranging from very low frequencies (below 0.01 kHz) to high frequencies exceeding 10 kHz. Understanding these noise types is essential for developing effective countermeasures and improving the overall reliability of braking systems.
Brake noise is broadly divided into forced and self-excited vibrations. Forced vibrations occur due to external periodic excitations, such as uneven contact between the brake disc and pads, structural misalignments, or variations in material properties. These vibrations are externally driven and typically disappear when the excitation source is removed. Self-excited vibrations, on the other hand, arise due to intrinsic dynamic instabilities within the braking system. These instabilities cause the brake components to generate and sustain oscillations, often leading to unwanted noise that persists even without external periodic forcing.
The most common break noise phenomena are creep groan and break squeal:
- Creep groan is a low-frequency self-excited vibration (below 0.1 kHz) caused by stick-slip interactions between the brake pad and disc. The frictional interface between the brake components exhibits alternating phases of sticking and slipping, leading to pulsating oscillations. The resulting noise and vibrations can be both audible and tactile, affecting the driver’s experience.
- The most significant and widely studied brake noise phenomenon is brake squeal, which occurs at frequencies ranging from 1 kHz to over 10 kHz. Brake squeal is caused by mode coupling instability, where two or more structural modes of the brake system merge, leading to a sustained oscillatory response. This instability is driven by dynamic friction effects, which cause the brake pads and disc to interact in an unstable manner, producing a high-pitched noise.
Implications and Challenges in Brake Noise Reduction Brake noise, regardless of its type, presents significant challenges for automotive manufacturers. While forced vibrations can often be addressed by improving material quality and mechanical tolerances, self-excited vibrations require advanced modeling techniques to predict and mitigate. Engineers use methods such as friction modification, damping enhancement, and structural optimization to minimize the risk of unwanted noise.
Computational models, such as finite element simulations and experimental modal analysis, are commonly employed to analyze and predict brake noise behaviors before production. Ultimately, the study of brake noise remains a crucial field in automotive engineering. A thorough understanding of its underlying mechanisms, combined with experimental and numerical investigations, is essential for designing quieter, more efficient, and more reliable braking systems.
1.1.2. Mode Coupling Mechanism
Mode coupling occurs when two or more vibrational modes of a brake system interact and transfer energy between them. This interaction, shown here as a coupling between eigenfrequencies, leads to amplified vibrations. The result is brake squeal, a common and unwanted noise. By understanding these mechanisms, we can better design systems to minimize this effect.
The diagram on the below right depicts mode coupling dynamics in brake systems. Starting from the force equation, the system is reduced to a first-order ODE as an autonomous system. The analysis uses a 2D friction oscillator with springs and dampers in orthogonal x and y directions, enabling vibrational modes. The coupling spring k facilitates energy transfer between modes, while the constant sliding friction coefficient mu is independent of belt velocity, with the sled attached to the moving belt. This model highlights mode coupling's role in amplified vibrations and brake noise.
The below row of images provides a spectral analysis of the system’s eigenvalues as a function of the parameter 𝜇, which in this case represents the friction coefficient. By analyzing these plots, we can observe how the system transitions from a stable to an unstable state, a crucial phenomenon in structural dynamics and vibration analysis.
Initially, for small values of 𝜇, the system remains in a stable configuration. This stability is reflected in the eigenvalues, where the real part is either zero or negative, meaning no exponential growth occurs in the system’s response. Meanwhile, the imaginary parts of the eigenvalues form two distinct branches, representing two separate vibration modes that exist independently without significant interaction. The system's behavior in this range is well-behaved, meaning oscillations, if present, remain bounded and do not amplify over time.
As 𝜇 increases, a critical transition occurs around 𝜇 = 0.35. At this point, the two initially independent vibrational modes begin to interact, leading to mode coupling. This coupling causes a drastic change in stability, as the real part of the eigenvalues, which was previously non-positive, becomes positive. A positive real part indicates that oscillations in the system will now grow exponentially over time rather than remaining constant or dissipating. Simultaneously, the imaginary components of the eigenvalues, which correspond to the natural frequencies of the system, also change. Instead of maintaining their original independent values, they merge into a common frequency, showing that the system no longer behaves as two separate modes but rather as a single coupled mode.
This transition is characteristic of mode coupling instability, a phenomenon commonly associated with friction-induced vibrations such as brake squeal. Once the eigenvalues attain a positive real component, the system loses its natural damping properties, and oscillations begin to amplify instead of dissipating. This behavior is highly undesirable in practical applications, as it can lead to excessive vibrations, unwanted noise, or even structural failure over time.
The key insight from this analysis is that the onset of instability occurs precisely when the real part of the eigenvalues becomes positive. This shift signifies the loss of energy dissipation and the emergence of self-excited vibrations. The transition from a stable regime to an unstable regime due to eigenvalue coalescence is a critical factor in understanding and preventing undesirable vibrational effects in mechanical and structural systems.
Below, we can see how this instability manifests in the system’s time response. The three graphs show displacement 𝑥(𝑡) for different values of the friction coefficient 𝜇, illustrating the transition from stability to instability. For 𝜇 < 𝜇_crit, the system remains stable, with bounded oscillations that do not grow over time. When 𝜇 = 𝜇_crit , the system is at the borderline of stability, where oscillations neither decay nor grow uncontrollably. At 𝜇 > 𝜇_crit , the system becomes unstable, and oscillations increase exponentially, indicating self-excited vibrations.
1.2. Minimal Model
1.2.1. Model Description
As shown in the above model, single-mass system with two degrees of freedom (DoF) is considered.
The system consists of a mass 𝑚 m in contact with a moving conveyor belt at a constant velocity. The mass is held by two linear springs k1 and k2. Another spring k3 represents the normal contact stiffness. The system experiences Coulomb friction (constant friction coefficient 𝜇). The friction force acts as a cross-coupling force, linking normal motion to tangential motion. The governing equations of motion include a non-symmetric stiffness matrix, which leads to instability.
The purpose of the model is to provide an intuitive understanding of self-excited friction-induced oscillations that lead to instability, such as brake squeal. The focus is on mode-coupling instability, where two structural modes merge, leading to the creation of one unstable and one stable mode.
The system is represented by the following matrices:
M represents the mass matrix of the system:
| \[ M = \begin{bmatrix} m & 0 \\ 0 & m \end{bmatrix} \] |
K represents the stiffness matrix of the system:
| K=\left[\begin{matrix}k_1*\sin^2\theta_1+k_2*\sin^2\theta_2 & -k_1*\sin\theta_1*\cos\theta_1-k_2*\sin\theta_2*\cos\theta_2 + 𝜇 * (k_3 + k_1*\cos^2\theta_1+k_2*\cos^2\theta_2) \\ -k_1*\sin\theta_1*\cos\theta_1-k_2*\sin\theta_2*\cos\theta_2 & k_3 + k_1*\cos^2\theta_1+k_2*\cos^2\theta_2\end{matrix}\right] |
We will study the relationship between each parameter involved in the minimal model and the stability with respect to mode coupling.
Initial parameters are k1 = k2 = k3 = 10 and m = 1.
1.2.2. Friction Analysis
Friction is a driving factor in mode-coupling instability, as it directly influences the interaction between in-plane and out-of-plane motion. The friction coefficient (μ) plays a crucial role in defining how energy is transferred between structural modes, potentially leading to unstable oscillations. At low friction levels, the system may remain stable, but as μ increases, it can reach a critical threshold where the mode-coupling mechanism leads to instability. Understanding this relationship is essential for predicting and mitigating brake squeal. In the following figures we analyze how the friction coefficient affects stability.
|
M [kg] |
k1[N/m] |
k2 |
k3 |
𝜃1 [º] |
𝜃2 |
𝜇 |
|
1 |
10 |
10 |
10 |
120º |
60º |
0~1 |
The analysis demonstrates that friction plays a crucial role in mode-coupling instability. At low friction levels, the system remains stable, but as the friction coefficient (μ) increases, a critical threshold is reached where instability occurs. This transition is reflected in the eigenvalue analysis, where real parts of eigenvalues shift from negative (stable) to positive (unstable), while the imaginary parts indicate changes in eigenfrequencies. Understanding this behaviour is essential for predicting and mitigating brake squeal in engineering applications.
1.2.3. Geometric Analysis
The geometric configuration of the braking system significantly affects the distribution of forces at the contact interface. The angles (θ₁, θ₂) determine how stiffness components contribute to the overall dynamic response, influencing whether instability occurs. Changes in system geometry affect the orientation of normal and tangential forces, altering how friction influences structural vibrations. Therefore, optimizing these angles can be an effective way to minimize brake noise.
Optimizing angle configurations helps minimize instability and provides insights into how mounting angles influence mode coupling. Certain angle combinations lead to higher energy transfer between modes, increasing instability. Well-designed angles can delay or prevent mode merging, maintaining a stable system. Adjusting system geometry offers a cost-effective solution to mitigate brake-induced noise.
|
𝜇 |
M [kg] |
k1[N/m] |
k2 |
k3 |
𝜃1 [º] |
𝜃2 [º] |
|
0.5 |
1 |
10 |
10 |
10 |
120º |
0~360º |
The analysis highlights the critical influence of geometric configuration on system stability. Variations in the angle θ2 significantly affect mode coupling, with certain angle combinations showing instability through increased energy transfer between modes. Conversely, well-chosen angles can prevent mode merging, helping maintain a stable system. Optimising these geometric parameters offers a practical and cost-effective approach to mitigating brake-induced noise and enhancing overall system performance.
1.2.4. Stiffness Analysis
Stiffness plays a crucial role in defining the natural frequencies of a braking system. When mode frequencies approach each other, mode coupling occurs, leading to instability. By adjusting stiffness values, we can control the onset of instability and alter the system’s dynamic behavior. This study investigates how different stiffness values (k₁, k₂, k₃) influence the real and imaginary parts of the eigenvalues, providing a clearer understanding of when instability arises.
This analysis determines how variations in stiffness shift mode frequencies, aiding in the design of stiffness parameters that prevent brake squeal. It identifies whether higher or lower stiffness values are preferable for system stability.
Higher stiffness values tend to shift mode frequencies apart, delaying the onset of instability. However, excessive stiffness can amplify vibrations rather than mitigate them, indicating that an optimal stiffness range exists to balance stability and performance.
|
𝜇 |
M [kg] |
k1[N/m] |
k2 |
k3 |
𝜃1 [º] |
𝜃2 |
|
0.5 |
1 |
10 |
0~50 |
10 |
120º |
60º |
The analysis shows that stiffness significantly influences mode frequencies and system stability. Higher stiffness values tend to separate mode frequencies, delaying instability. There exists an optimal stiffness range that balances stability and performance, helping to prevent brake squeal. Proper tuning of stiffness parameters is crucial for maintaining a stable and well-performing braking system.
1.2.5. Interaction Between Friction and Stiffness Analysis
Understanding the interaction between friction and stiffness in braking systems is essential for predicting and mitigating instability. This study extends the previous analyses by exploring the combined effects of the friction coefficient (μ) and stiffness parameters (k1, k2, k3) on system stability. By examining the real parts of eigenvalues, these 3D surface plots provide insights into how different parameter combinations influence the onset of instability. Identifying stable regions helps in optimising design choices to reduce brake squeal and unwanted vibrations.
The results confirm that both friction and stiffness play critical roles in stability. Increased friction (μ) can drive instability by promoting mode coupling, while appropriate stiffness tuning can either mitigate or amplify this effect. The plots reveal that certain stiffness values shift stability boundaries, emphasising the need for an optimal balance. These findings reinforce the importance of precise parameter selection to ensure a stable braking system while minimising noise and vibrations.
1.2.6. Minimal Model with Damping
Fig 1.2.6: Minimal single mass 2 DOF damped model
Damping is one of the most effective ways to control brake squeal by absorbing energy and reducing self-excited vibrations. Without adequate damping, even a small disturbance can trigger a sustained oscillation due to friction-induced mode coupling. This section extends the previous model by incorporating damping elements (c₁, c₂, c₃) , which influence system stability. The following damping matrix C represents these contributions.
| \[ C= \left[ \begin{matrix} c_1 \sin^2\theta_1 + c_2 \sin^2\theta_2 & -c_1 \sin\theta_1 \cos\theta_1 - c_2 \sin\theta_2 \cos\theta_2 \\ -c_1 \sin\theta_1 \cos\theta_1 - c_2 \sin\theta_2 \cos\theta_2 & c_3 + c_1 \cos^2\theta_1 + c_2 \cos^2\theta_2 \end{matrix} \right] \] |
Damping plays a critical role in controlling and mitigating instability in mechanical systems such as braking systems. In the context of mode-coupling instability, damping helps in absorbing vibrational energy, preventing excessive oscillations, and ensuring a stable response. When comparing damped vs. undamped systems: Undamped systems exhibit self-excited oscillations that can grow over time, leading to unstable vibrations. Damped systems dissipate energy, reducing or eliminating unstable oscillations. Higher damping normally reduces instability, but too much damping can lead to reduced braking efficiency.
|
M [kg] |
k1[N/m] |
k2 |
k3 |
𝜃1 [º] |
𝜃2 [º] |
c1~c3 |
𝜇 |
|
1 |
10 |
10 |
10 |
120º |
60º |
0.3 |
0~1 |
In the provided real part of eigenvalues vs. friction coefficient (μ) graphs: The undamped system shows that all eigenvalues remain at zero for small μ values. As μ increases, a pair of eigenvalues splits, with one becoming positive—indicating instability. The damped system shows that the eigenvalues remain negative or close to zero for a larger range of μ, meaning the system remains stable longer. This graphical representation shows that: Without damping, instability appears sooner, leading to sustained instability and hence brake noise. With damping, the system remains stable over a wider range of μ values, delaying the onset of instability.
Optimised damping prevents unwanted oscillations, leading to quieter and more efficient braking. Too much damping can affect braking performance by reducing responsiveness, so an optimal balance is needed. A well-damped system prevents excessive oscillatory motion as well, which can degrade components. Reducing vibrations leads to extended component life, damping helps in minimising wear and tear on braking components. In conclusion, damping stabilises the system by keeping real eigenvalues negative, preventing uncontrolled oscillations. Graphically, damping delays or removes instability by keeping eigenvalues from crossing into the positive real domain. In real-world applications, optimal damping reduces noise, improves performance, and extends system longevity. This study highlights the importance of proper damping design to enhance brake system reliability and noise control.
|
𝜇 |
M [kg] |
k1[N/m] |
k2 |
k3 |
𝜃1 [º] |
𝜃2 |
c1 | c2 |
c3 |
|
0.5 |
1 |
10 |
10 |
10 |
120º |
60º |
0.3 | 0.3 |
0~0.7 |
The following plot illustrates the relationship between damping (c = c₁, c₂, c₃), the friction coefficient (μ), and the real part of the eigenvalues (σ), which determines system stability. As friction increases, the system approaches instability, indicated by positive real eigenvalues. However, introducing damping influences this behaviour by reducing the likelihood of instability.
The results confirm that damping effectively delays the onset of instability by keeping the real part of eigenvalues negative. Higher damping values stabilize the system across a broader range of friction coefficients, preventing self-excited oscillations.
1.3. Two Mass Model
1.3.1. Model Description
This model analyzes a mechanical system with two masses and friction-induced interactions. The setup is as follows:
-
Masses: Two masses m1 and m2, are connected through springs and dampers.
-
Springs: Linear springs with stiffness coefficients k1x, k2x, ky and a coupling spring k.
-
Damping: Damping coefficients c1x, c2x, and cy control energy dissipation.
-
Friction: The system is in contact with a conveyor belt moving at velocity v0 . Coulomb friction mu with coefficient links normal and tangential motions.
The model aims to:
-
Illustrate how mode-coupling instability arises due to friction with two mass system.
-
Analyze the role of stiffness, damping, and friction in influencing stability with two mass system.
-
Provide insights into preventing instability through parameter tuning in two mass system.
For each analysis, the matrix system is formed and Eigenvalues of A are computed to determine stability.
1.3.2. Friction Analysis
Friction Coefficient Analysis 𝜇 = [0,0.6]
This analysis allows us to evaluate the system’s dynamic response and analyze stability based on varying the friction coefficient (μ).
|
M1 [kg] |
M2 [kg] |
k1x[N/m] |
k2x |
ky |
k |
𝜃1 [º] |
c1x[N·s·m⁻¹] |
c2x |
cy |
μ |
|
1 |
2 |
10 |
10 |
50 |
5 |
45º |
0 |
0 |
0 |
0~0.6 |
As the friction coefficient (μ) increases, the real part of the eigenvalues becomes more negative, indicating increased damping and stability in the system. Higher values of μ enhance the system's ability to dissipate energy, leading to quicker decay of oscillations and reduced likelihood of sustained vibrations. This increased damping makes the system more resistant to external disturbances, contributing to overall stability. The imaginary part of the eigenvalues, representing the eigenfrequencies, change with varying μ. This indicates how the system's natural frequencies are affected by friction. While the primary effect of increased friction is on damping and stability, understanding the changes in eigenfrequencies helps in predicting the system's response to external disturbances. The above 3D plot illustrates the relationship between μ, the imaginary part of the eigenvalues (|ω|), and the real part of the eigenvalues (σ). As μ increases, the real part of the eigenvalues becomes more negative, and the eigenfrequencies may change, reflecting the system's stiffer dynamics and enhanced stability.
1.3.3. Stiffness Analysis
Stiffness parameters (k1x, k2x, ky, and k) affect the system's natural frequencies. When these frequencies approach each other, mode coupling can occur.
1) Stiffness Analysis k1x
|
M1 [kg] |
M2 [kg] |
k1x[N/m] |
k2x |
ky |
k |
𝜃1 [º] |
c1x[N·s·m⁻¹] |
c2x |
cy |
μ |
|
1 |
2 |
5~50 |
10 |
50 |
5 |
45º |
0 |
0 |
0 |
0.4 |
As the stiffness parameter k1x increases, the real part of the eigenvalues becomes more negative. This indicates increased damping and stability in the system. Higher values of k1x enhance the resistance of Mass 1 to horizontal displacement, thereby stabilizing the system by reducing oscillations. The stronger coupling between the masses due to increased stiffness contributes to a more stable system. The position of Mass 1 in the horizontal direction becomes more stable, reducing the likelihood of large displacements. The imaginary part of the eigenvalues, representing the eigenfrequencies, changes as k1x increases. Higher values of k1x lead to higher eigenfrequencies, indicating that the system oscillates at higher natural frequencies. This reflects the stiffer dynamics of the system due to increased stiffness, making it more resistant to deformation. The horizontal motion of Mass 1 becomes more controlled, with higher frequency oscillations. The above 3D plot shows the relationship between k1x, the imaginary part of the eigenvalues (|ω|), and the real part of the eigenvalues (σ). As k1x increases, the real part of the eigenvalues becomes more negative, indicating increased damping and stability. The eigenfrequencies also increase, reflecting stronger coupling and stiffer overall dynamics. The horizontal stability and oscillation frequency of Mass 1 are significantly affected by changes in k1x.
2) Stiffness Analysis k2x
|
M1 [kg] |
M2 [kg] |
k1x[N/m] |
k2x |
ky |
k |
𝜃1 [º] |
c1x[N·s·m⁻¹] |
c2x |
cy |
μ |
|
1 |
2 |
10 |
5~50 |
50 |
5 |
45º |
0 |
0 |
0 |
0.4 |
Increasing the stiffness parameter k2x results in the real part of the eigenvalues becoming more negative. This indicates increased damping and stability in the system. Larger k2x values enhance the resistance of Mass 2 to horizontal displacement, affecting the coupling between Mass 1 and Mass 2. The stronger coupling provided by higher k2x contributes to a more stable system by reducing oscillations. The horizontal position of Mass 2 becomes more stable, reducing the likelihood of large displacements. The imaginary part of the eigenvalues, increases as k2x increases. This indicates that the system oscillates at higher natural frequencies due to the increased stiffness provided by k2x. The stronger coupling and stiffer dynamics are reflected in the higher eigenfrequencies. The horizontal motion of Mass 2 becomes more controlled, with higher frequency oscillations. The above 3D plot illustrates the relationship between k2x, the imaginary part of the eigenvalues (|ω|), and the real part of the eigenvalues (σ). As k2x increases, the real part of the eigenvalues becomes more negative, indicating increased damping and stability. The eigenfrequencies also increase, reflecting stronger coupling and stiffer overall dynamics. The horizontal stability and oscillation frequency of Mass 2 are significantly affected by changes in k2x.
3) Stiffness Analysis ky
|
M1 [kg] |
M2 [kg] |
k1x[N/m] |
k2x |
ky |
k |
𝜃1 [º] |
c1x[N·s·m⁻¹] |
c2x |
cy |
μ |
|
1 |
2 |
10 |
10 |
5~100 |
5 |
45º |
0 |
0 |
0 |
0.4 |
As the stiffness parameter ky increases, the real part of the eigenvalues becomes more negative. Higher values of ky enhance the resistance of the system to vertical displacement, thereby stabilizing the system by reducing oscillations. The stronger coupling due to increased stiffness contributes to a more stable system. The vertical position of the masses becomes more stable, reducing the likelihood of large displacements. The imaginary part of the eigenvalues, representing the eigenfrequencies, changes as ky increases. Higher values of ky lead to higher eigenfrequencies. This reflects the stiffer dynamics of the system due to increased stiffness, making it more resistant to deformation. The vertical motion of the masses becomes more controlled, with higher frequency oscillations. The above 3D plot shows the relationship between ky, the imaginary part of the eigenvalues (|ω|), and the real part of the eigenvalues (σ). As ky increases, the real part of the eigenvalues becomes more negative, indicating increased damping and stability. The eigenfrequencies also increase, reflecting stronger coupling and stiffer overall dynamics. The vertical stability and oscillation frequency of the masses are significantly affected by changes in ky.
4) Stiffness Analysis k
|
M1 [kg] |
M2 [kg] |
k1x[N/m] |
k2x |
ky |
k |
𝜃1 [º] |
c1x[N·s·m⁻¹] |
c2x |
cy |
μ |
|
1 |
2 |
10 |
10 |
50 |
1~80 |
45º |
0 |
0 |
0 |
0 |
Increasing the stiffness parameter k results in the real part of the eigenvalues becoming more negative. This indicates increased damping and stability in the system. Larger k values enhance the resistance of the system to deformation, thereby stabilizing the system by reducing oscillations. The stronger coupling provided by higher k contributes to a more stable system. The overall position of the masses becomes more stable, reducing the likelihood of large displacements. The imaginary part of the eigenvalues, representing the eigenfrequencies, increases as k increases. This indicates that the system oscillates at higher natural frequencies due to the increased stiffness provided by k. The stronger coupling and stiffer dynamics are reflected in the higher eigenfrequencies. The overall motion of the masses becomes more controlled, with higher frequency oscillations. The above 3D plot illustrates the relationship between k, the imaginary part of the eigenvalues (|ω|), and the real part of the eigenvalues (σ). As k increases, the real part of the eigenvalues becomes more negative, indicating increased damping and stability. The eigenfrequencies also increase, reflecting stronger coupling and stiffer overall dynamics. The overall stability and oscillation frequency of the masses are significantly affected by changes in k.
1.3.4. Geometric Analysis
Geometric Analysis (theta) 𝜃1 = [0,360]º
The variation of thetaθ1 simulates geometric changes in the system, which are critical for assessing the onset of instability and dynamic behavior. This analysis provides insights into optimizing geometric configurations to minimize instability and improve performance.
|
M1 [kg] |
M2 [kg] |
k1x[N/m] |
k2x |
ky |
k |
𝜃1 [º] |
c1x[N·s·m⁻¹] |
c2x |
cy |
μ |
|
1 |
2 |
10 |
10 |
50 |
5 |
0~360 |
0 |
0 |
0 |
0.4 |
As the angle theta_θ1 varies from 0 to 360 degrees, the real part of the eigenvalues changes, indicating how the damping and stability of the system are affected by the angle. The angle theta_θ1 influences the direction and magnitude of forces in the system, leading to variations in damping and stability. Certain angles may result in more stable configurations, while others may introduce instability. The imaginary part of the eigenvalues, representing the eigenfrequencies, also changes with varying theta_θ1. This indicates how the system's natural frequencies are affected by the angle, with different angles leading to varying amplitudes and frequencies of oscillations. The above 3D plot illustrates the relationship between theta_θ1, the imaginary part of the eigenvalues (|ω|), and the real part of the eigenvalues (σ). As theta_θ1 varies, both the real and imaginary parts of the eigenvalues change, reflecting the system's dynamic response to different angles. Understanding the effects of varying theta_θ1 is important for predicting the system's response to external forces and ensuring stable operation.
1.3.5. Friction Coefficient + Damping Analysis
The damping coefficient determines how the system dissipates energy over time. This analysis allows us to test the system's response for various levels of damping (e.g., low damping, critical damping, overdamping) while fixing other values.
1) Friction Coefficient Analysis 𝜇 = [0,0.6], c1x = 0.1, c2x = 0.1
Low μ emphasizes oscillatory behavior at low damping coefficients. Higher damping gradually reduces oscillations, with critical damping and overdamping showing the expected transitions.
|
M1 [kg] |
M2 [kg] |
k1x[N/m] |
k2x |
ky |
k |
𝜃1 [º] |
c1x[N·s·m⁻¹] |
c2x |
cy |
μ |
|
1 |
2 |
10 |
10 |
50 |
5 |
45º |
0.1 |
0.1 |
0 |
0~0.6 |
Low μ values result in oscillatory behavior. As μ increases, stability (real part) becomes more negative, indicating improved damping and transition toward critical/overdamped regimes. The real part of eigenvalues shows a gradual shift to negative values as μ increases. Indicates increasing stability with higher friction coefficients, smoothing the transition to non-oscillatory behavior. The imaginary part decreases slightly as μ increases, reflecting reduced oscillatory behavior. Higher μ diminishes oscillations but maintains some dynamics before transitioning to over-damping.
2) Friction Coefficient Analysis 𝜇 = [0,0.6], c1x = 0.3, c2x = 0.3
Higher μ dampens oscillations faster, even for lower damping coefficients. The transition to critical and overdamped responses occurs more smoothly.
|
M1 [kg] |
M2 [kg] |
k1x[N/m] |
k2x |
ky |
k |
𝜃1 [º] |
c1x[N·s·m⁻¹] |
c2x |
cy |
μ |
|
1 |
2 |
10 |
10 |
50 |
5 |
45º |
0.3 |
0.3 |
0 |
0~0.6 |
The higher damping coefficient accelerates system stabilization. As μ increases, oscillations diminish faster compared to the case of c1x = c2x = 0.1. Stability improves more smoothly, with eigenfrequencies transitioning to smaller values. A more pronounced shift to negative real parts is observed at lower μ, reflecting stronger damping effects. Smooth transition to critical damping and over-damping. Imaginary parts decrease consistently, showing that oscillatory modes are significantly reduced. Faster stabilization with minimal oscillations is evident due to the higher damping.
3) Damping Analysis c2x
Affects energy dissipation in the x-direction. Higher c2x stabilizes the system faster along this axis.
|
M1 [kg] |
M2 [kg] |
k1x[N/m] |
k2x |
ky |
k |
𝜃1 [º] |
c1x[N·s·m⁻¹] |
c2x |
cy |
μ |
|
1 |
2 |
10 |
10 |
50 |
5 |
45º |
0 |
0~0.7 |
0 |
0.4 |
Increasing the damping coefficient c2x enhances the system's ability to dissipate energy, leading to quicker decay of oscillations and improved stability. The system becomes more resistant to external disturbances, reducing the likelihood of sustained vibrations.
4) Damping Analysis cy
Changes the damping effect in the y-direction. Higher cy reduces oscillations and speeds up stabilization in y.
|
M1 [kg] |
M2 [kg] |
k1x[N/m] |
k2x |
ky |
k |
𝜃1 [º] |
c1x[N·s·m⁻¹] |
c2x |
cy |
μ |
|
1 |
2 |
10 |
10 |
50 |
5 |
45º |
0 |
0 |
0~0.7 |
0.4 |
Higher cy results in faster damping and system stabilization. As cy increases, the real part of the eigenvalues becomes more negative, indicating improved stability. Oscillations along the y-direction are minimized more efficiently, and the system stabilizes more quickly as damping effects take hold.
1.4. 9-DoF Model
1.4.1. Model Description
1.4.1.1. Overview of the 9-DoF Model
The study presents a 9-degree-of-freedom model for analyzing friction-induced vibration in mechanical systems. The model consists of two substructures:
- Upper structure (pad system): A 6-degree-of-freedom mass-spring system.
- Lower structure (belt system): A 3-degree-of-freedom rigid belt model.
These substructures interact through frictional contact modelled by linear springs. The model is used to study mode coupling instability, which is a major cause of self-excited oscillations leading to issues such as brake squeal and excessive vibrations.
1.4.1.2. Plots
|
All mass |
k1 ~ k13 (N/m) |
kc1, kc2 (N/m) |
𝜃1 ~ 𝜃3(º) |
|
1 |
1 |
1 |
45º |
As the friction coefficient (μ) increases, the evolution of eigenvalues reveals a transition from stable to unstable behavior. Some eigenvalues shift from negative to positive real parts, signifying the onset of instability. Notably, bifurcation points appear at μ = 0.9 and μ = 2.7, where positive real parts begin to emerge, indicating system instability. The presence of positive real eigenvalues at higher values of μ suggests that certain modes become unstable, while others remain near zero, indicating marginal stability. Additionally, from the eigenfrequency–friction coefficient relationship, it is evident that two bifurcation points occur. In this multi-degree-of-freedom system, various vibration modes interact dynamically; some frequencies increase slightly with μ, whereas others exhibit mode coupling, where two frequencies merge and then diverge. This behavior highlights the complex interactions between vibration modes as friction increases, further influencing the stability of the system.
1.4.2. Effect of Parameter Variations on the system stability
1.4.2.1. Effect of contact spring stiffness(k_c)
|
All mass |
k1 ~ k13 (N/m) |
kc1, kc2 (N/m) |
𝜃1 ~ 𝜃3(º) |
|
1 |
1 |
0~15 |
45º |
As contact spring stiffness (k_c) increases, eigenvalues largely remain in the stable region with negative real parts, though some shift slightly upwards, indicating a minor increase in instability. The system’s stability improves with higher k_c values, as most modes remain stable, while some exhibit nonlinear behavior by transitioning between stable and unstable regions at lower k_c. A small region of instability is observed at lower k_c, but this diminishes as stiffness increases. Additionally, higher contact spring stiffness increases eigenfrequencies due to restricted movement, leading to higher oscillation frequencies. While some eigenmodes stabilize at higher k_c, others remain nearly constant. Overall, increasing contact spring stiffness enhances system stability, raises natural frequencies, and reduces instability at lower stiffness levels, which could influence vibration isolation properties.
1.4.2.2. Effect of general spring stiffness(k)
|
All mass (kg) |
k1 ~ k4 (N/m) |
k5 ~ k13 (N/m) |
kc1, kc2 (N/m) |
𝜃1 ~ 𝜃3(º) |
|
1 |
0~10 |
1 |
1 |
45º |
As general system stiffness increases, significant oscillatory behavior is observed in the real eigenvalues, indicating complex stability transitions. Instability regions appear intermittently at certain stiffness values, likely due to resonance conditions. Multiple eigenvalues cross the stability threshold, suggesting the presence of instability zones, with oscillatory instability occurring at specific stiffness values that can trigger unstable resonance conditions. However, the system remains stable within certain stiffness ranges, particularly around values of 3 to 4 and 5 to 6. As expected, natural frequencies increase with stiffness, with mode merging and divergence observed at various stiffness values, highlighting modal interactions. Overall, general stiffness has a more pronounced effect on both stability and frequency interactions compared to contact spring stiffness. Proper tuning of system stiffness is essential to maintain stability and avoid unwanted resonances caused by specific stiffness values.
1.4.2.3. Effect of dampers
|
All mass (kg) |
k1 ~ k13 (N/m) |
kc1, kc2 (N/m) |
𝜃1 ~ 𝜃3 (º) |
c1 ~ c9 (Ns/m) |
|
1 |
1 |
1 |
45º |
0.1 |
The analysis of damping on system stability for different friction coefficient values reveals that damping effectively reduces the range of unstable eigenvalues compared to the friction-only case. While most eigenvalues remain negative, indicating stability, some modes still exhibit weak instability. Damping slows the growth rate of instabilities, keeping eigenvalues closer to zero even at higher friction coefficients, though some eigenvalues still transition into instability at elevated μ values. As expected, damping reduces oscillation frequencies, but its influence is not uniform across all vibration modes. Certain modes remain unaffected, while others experience significant frequency shifts, indicating that damping interacts more strongly with specific system resonances. Overall, damping improves system stability by reducing both the real part of eigenvalues and oscillatory behavior, resulting in a more predictable system, though its effectiveness varies across different eigenmodes.
1.5. Other Model with Limitations
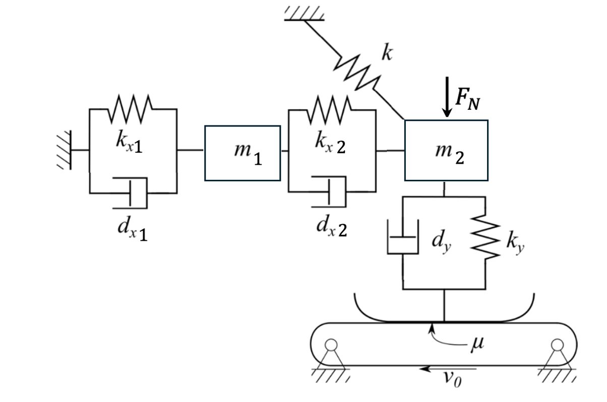
Mode coupling instability arises due to the interaction between different vibrational modes of a system, leading to the merging of their frequencies and the loss of stability. A crucial factor enabling this instability is the presence of diagonal stiffness terms, which introduce coupling between translational and rotational (or other modal) degrees of freedom.
When these stiffness components are absent, the system's modes remain independent, meaning each mode vibrates according to its own natural frequency without influencing the others. In such a case, mode coupling does not occur, and instability due to coalescence of eigenvalues is prevented.
In the dynamic model of the disc brake system shown in the figure above, the brake pads and the brake disc interact through a set of stiffness k and damping c elements. The system includes lateral and tangential stiffnesses for the brake disc and pads, as well as damping terms that account for energy dissipation. However, this model does not explicitly include diagonal stiffness terms, such as off-axis coupling between tangential and normal vibrations of the brake pad.
The fact that we have not observed mode coupling in simpler models like the one presented in the figure above suggests that mode coupling instability requires specific structural conditions to emerge. The presence of independent stiffness and damping components ensures that each vibrational mode behaves in isolation, preventing the unwanted merging that leads to instability.
However, in real-world applications, additional effects such as nonlinear friction forces, structural asymmetries, and dynamic interactions can introduce these missing coupling terms, eventually leading to the unstable behaviour that causes brake squeal and excessive vibrations. This highlights the importance of considering off-axis stiffness terms and friction coupling when modelling brake systems for stability analysis. While the current model effectively describes fundamental vibrational behaviour, a more detailed formulation incorporating these effects would be necessary to fully capture and predict mode coupling instability in real disc brake systems.
1.6. Conclusion
In conclusion, the mode coupling instability of brake noise is influenced by various factors, including the system’s stiffness, damping, and complexity. As the friction parameter (μ) increases, instability arises, while appropriate damping helps smooth transitions and enhance stability. Mode coupling occurs only when a diagonal stiffness term is present, and more complex, interconnected models introduce additional challenges to the analysis. Through mode coupling analysis, optimal parameters (μ, k) can be identified to ensure system stability, ultimately contributing to the reduction of brake noise.
1.7. References
- Hoffmann, Norbert, Michael Fischer, Ralph Allgaier, and Lothar Gaul. 2002. "A Minimal Model for Studying Properties of the Mode-Coupling Type Instability in Friction Induced Oscillations." Mechanics Research Communications 29: 197–205. https://doi.org/10.1016/S0093-6413(02)00254-9.
- Li, Zilin, Xiaocui Wang, Qi Zhang, Zhenqun Guan, Jiliang Mo, and Huajiang Ouyang. "Model Reduction for Friction-Induced Vibration of Multi-Degree-of-Freedom Systems and Experimental Validation." International Journal of Mechanical Sciences 145 (2018): 106–119. https://doi.org/10.1016/j.ijmecsci.2018.06.039.
- Zhang, Hongyuan, Jiayu Qiao, and Xin Zhang. 2022. "Nonlinear Dynamics Analysis of Disc Brake Frictional Vibration." Applied Sciences 12, no. 12104. https://doi.org/10.3390/app122312104.







































































