Description of the booster heat pump and the basic control strategy:
Hydraulic Scheme:
The first letter of the ID describes the general type of the name:
- S stands for signal
- A stands for actuator
- C stands for component
For more information about the naming concept of the ID, use this wiki page: Naming Concept
Heat Transfer Station including the Booster Heat Pump (yellow):
| Nr. | former ID (on the Labels) | new ID | Name | Signal | Comments |
|---|---|---|---|---|---|
| 1 | K.KV-WS.HW.TG | C.BV-WS.HW.TG.1 | Ball Valve Well Side Hot Water Thermal Grid | ||
| 2 | K.KV-WS.CW.TG | C.BV-WS.CW.TG | Ball Valve Well Side Cold Water Thermal Grid | ||
| 3 | K.KV-WS.HW | C.BV-WS.HW | Ball Valve Well Side Hot Water | ||
| 4 | A.KV-WS.HW | A.DR-WS.HW | Drive Ball Valve Well Side Hot Water | 2x digital | |
| 5 | K.DV-WS.HW | C.PR-WS.HW | Pressur Release Valve Well Side Hot Water | ||
| 6 | S.TM-WS.HW | S.TM-WS.HW | Temperature Well Side Hot Water | 0-10V | PT100 |
| 7 | K.KV-WS.CW | C.BV-WS.CW | Ball Valve Well Side Cold Water | ||
| 8 | A.KV-WS.CW | A.DR-WS.CW | Drive Ball Valve Well Side Cold Water | 2x digital | |
| 9 | A.PU-WS.CW | A.PU-WS.CW | Pump Well Side Cold Water | 0-10V and 24V | for Cooling activ/passiv |
| 10 | K.KV-DS.HW.TG | C.BV-DS.HW.TG | Ball Valve Drain Side Hot Water Thermal Grid | ||
| 11 | K.KV-DS.CW.TG | C.BV-DS.CW.TG.1 | Ball Valve Drain Side Cold Water Thermal Grid | ||
| 12 | K.KV-DS.HW | C.BV-DS.HW | Ball Valve Drain Side Hot Water | ||
| 13 | A.KV-DS.HW | A.DR-DS.HW | Drive Ball Valve Drain Side Hot Water | 2x digital | |
| 14 | K.KV-DS.CW | C.BV-DS.CW | Ball Valve Drain Sid Cold Water | ||
| 15 | A.KV-DS.CW | A.DR-DS.CW | Drive Ball Valve Drain Side Cold Water | 2x digital | |
| 16 | K.EL-DS.CW | C.EL-DS.CW | Deaerator Drain Side Cold Water | ||
| 17 | K.AD-DS.CW | C.EV-DS.CW | Expansion Vessel Drain Side Cold Water | ||
| 18 | S.FW-DS.CW | S.FW.DS.CW | Flow Water Drain Side Cold Water | 0-10V oder 4-20 mA | 30 l/min |
| 19 | S.TM-DS.CW | S.TM-DS.CW | Temperature Drain Side Cold Water | 0-10V | PT100 |
| 20 | S.TM-HP.TL.aWT | S.TM-HP.TL.aHX | Temperature Heat Pump Low Temperature after Heatexchanger | 0-10V | PT100 |
| 21 | S.TM-HP.TM.aWT | S.TM-HP.TM.aHX | Temperature Heat Pump Medium Temperature after Heatexchanger | 0-10V | PT100 |
| 22 | S.TM-HP.PS.aWT | S.TM-HP.PS.aHX | Temperature Heat Pump Producer Side after Heatexchanger | 0-10V | PT100 |
| 23 | S.TM-HP.PS.aHP | S.TM-HP.PS.aHP | Temperature Heat Pump Producer Side after Heatpump | 0-10V | PT100 |
| 24 | A.HS-HP.EH | A.HS-HP.EH | Heatsource Heat Pump Electric Heater | 0-10 V from Thyristorsteller | for P2H (Sector Coupling) |
| 25 | S.TM-PS.VL | S.TM-PS.VL | Temperature Producer Side Forerun | 0-10V | PT100 |
| 26 | K.SG-PS.VL | C.SG-PS.VL | Safety Group Producer Side Forerun | ||
| 27 | K.KV-PS.VL.OU | C.BV-PS.VL.OU.1 | Ball Valve Producer Side Forerun Outlet | ||
| 28 | K.KV-PS.OF | C.BV-PS.OF | Ball Valve Producer Side Ouverflow | ||
| 29 | A.KV-PS.OF | A.DR-PS.OF | Drive Ball Valve Producer Side Ouverflow | 0-10V | |
| 30 | K.KV-PS.RL.IN | C.BV-PS.RL.IN | Ball Valve Producer Side Return Inlet | ||
| 31 | K.EL-PS.RL | C.EL-PS.RL | Deaerator Producer Side Return | ||
| 32 | S.TM-PS.RL | S.TM-PS.RL | Temperature Producer Side Return | 0-10V | PT100 |
| 33 | S.FW-PS.RL.bHP | S.FW-PS.RL.bHP | Flow Water Producer Side Return before Heatpump | 0-10V oder 4-20 mA | 35 l/min |
| 34 | S.FW-PS.RL.bWT | S.FW-PS.RL.bWT | Flow Water Producer Side Return before Heatexchanger | 0-10V oder 4-20 mA | 35 l/min |
| 35 | K.AD-PS.RL | C.EV-PS.RL | Expansion Vessel Producer Side Return | In BHP2 | |
| 36 | S.TM-HP.TM.bHP | S.TM-HP.TM.bHP | Temperature Evaporator Inlet | 0-10V | PT100 |
| 37 | C.BV-WS.HW.TG.2 | Ball Valve Well Side Hot Water Thermal Grid | |||
| 38 | C.BV-DS.CW.TG.2 | Ball Valve Drain Side Cold Water Thermal Grid | |||
| 39 | C.BV-PS.VL.OU.2 | Ball Valve Producer Side Forerun Outlet |
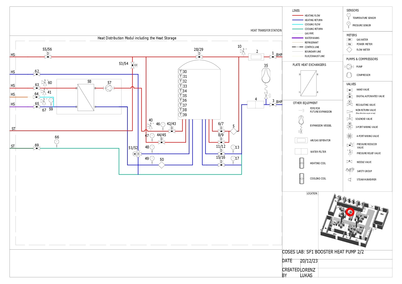
Heat Distribution Modul including the Heat Storage (blue):
| 1 | K.KV-PS.VL.IN | C.BV-PS.VL.IN | Ball Valve Producer Side Forerun Inlet | ||
| 2 | K.MA-PS.VL | C.MS-PS.VL | Microbubble Seperator Producer Side Forerun | ||
| 3 | K.KV-PS.RL.OU | C.BV-PS.RL.OU | Ball Valve Producer Side Return Oulet | ||
| 4 | K.SA-PS.RL | C.SA-PS.RL | Sludge Filter Producer Side Return | ||
| 5 | S.FW-PS.VL | S.FW-PS.VL | Flow Water Producer Side Forerun | 0-10V oder 4-20 mA | 25 l/min |
| 6 | K.KV-PS.VL.TH | C.BV-PS.VL.TH | Ball Valve Producer Side Forerun High Temperature | ||
| 7 | A.KV-PS.VL.TH | A.DR-PS.VL.TH | Drive Ball Valve Producer Side Forerun High Temperature | 2x digital | |
| 8 | K.KV-PS.VL.TM | C.BV-PS.VL.TM | Ball Valve Producer Side Forerun Medium Temperature | ||
| 9 | A.KV-PS.VL.TM | A.DR-PS.VL.TM | Drive Ball Valve Producer Side Forerun Medium Temperature | 2x digital | |
| 10 | K.EL-PS.RL.TM | C.EL-PS.RL.TM | Deaerator Producer Side Return Medium Temperature | ||
| 11 | K.KV-PS.RL.TM | C.BV-PS.RL.TM | Ball Valve Producer Side Return Medium Temperature | ||
| 12 | A.KV-PS.RL.TM | A.DR-PS.RL.TM | Drive Ball Valve Producer Side Return Medium Temperature | 2x digital | |
| 13 | S.TM-PS.RL.TM | S.TM-PS.RL.TM | Temperature Producer Side Return Medium Temperature | 0-10V | PT100 |
| 14 | K.EL-PS.RL.TL | C.EL-PS.RL.TL | Deaerator Producer Side Return Low Temperature | not found | |
| 15 | K.KV-PS.RL.TL | C.BV-PS.RL.TL | Ball Valve Producer Side Return Low Temperature | ||
| 16 | A.KV-PS.RL.TL | A.DR-PS.RL.TL | Drive Ball Valve Producer Side Return Low Temperature | 2x digital | |
| 17 | S.TM-PS.RL.TL | S.TM-PS.RL.TL | Temperature Producer Side Return Low Temperature | 0-10V | PT100 |
| 18 | K.KV-PS.VL.TH.1 | C.BV-PS.VL.TH.1 | Ball Valve Producer Side Forerun High Temperature Position 1 | ||
| 19 | K.KV-PS.VL.TM.10 | C.BV-PS.VL.TM.10 | Ball Valve Producer Side Forerun Medium Temperature Position 10 | ||
| 20 | K.KV-PS.RL.TM.3 | C.BV-PS.RL.TM.3 | Ball Valve Producer Side Return Medium Temperature Position 3 | ||
| 21 | K.KV-PS.RL.TL.2 | C.BV-PS.RL.TL.2 | Ball Valve Producer Side Return Low Temperature Position 2 | ||
| 22 | K.KV-ST.RL.TL.8 | C.BV-ST.RL.TL.8 | Ball Valve Solar Thermal Return Low Temperature Position 8 | not connected | |
| 23 | K.KV-BS.RL.TL.4 | C.BV-BS.RL.TL.4 | Ball Valve Building Side Return Low Temperature Position 4 | ||
| 24 | K.KV-BS.RL.TM.6 | C.BV-BS.RL.TM.6 | Ball Valve Building Side Return Medium Temperature Position 6 | ||
| 25 | K.KV-ST.VL.TL.9 | C.BV-ST.VL.TL.9 | Ball Valve Solar Thermal Forerun Low Temperature Position 9 | not connected | |
| 26 | K.KV-BS.VL.TM.7 | C.BV-BS.VL.TM.7 | Ball Valve Building Side Forerun Medium Temperature Position 7 | ||
| 27 | K.KV-BS.VL.TH.5 | C.BV-BS.VL.TH.5 | Ball Valve Building Side Forerun High Temperature Position 5 | ||
| 28 | K.KV-PS.VL.HC | C.BV-PS.VL.HC | Ball Valve Producer Side Forerun Heating Circuit | ||
| 29 | A.KV-PS.VL.HC | A.DR-PS.VL.HC | Drive Ball Valve Producer Side Forerun Heating Circuit | 2x digital | |
| 30 | S.TM-BT.TH.FW | S.TM-BT.1 | Temperature Buffer Tank 1 | 0-10V | PT100 |
| 31 | S.TM-BT.TM.FW | S.TM-BT.2 | Temperature Buffer Tank 2 | 0-10V | PT100 |
| 32 | S.TM-BT.TM.HC | S.TM-BT.3 | Temperature Buffer Tank 3 | 0-10V | PT100 |
| 33 | S.TM-BT.4 | Temperature Buffer Tank 4 | 0-10V | PT100 | |
| 34 | S.TM-BT.5 | Temperature Buffer Tank 5 | 0-10V | PT100 | |
| 35 | S.TM-BT.6 | Temperature Buffer Tank 6 | 0-10V | PT100 | |
| 36 | S.TM-BT.7 | Temperature Buffer Tank 7 | 0-10V | PT100 | |
| 37 | S.TM-BT.8 | Temperature Buffer Tank 8 | 0-10V | PT100 | |
| 38 | S.TM-BT.9 | Temperature Buffer Tank 9 | 0-10V | PT100 | |
| 39 | S.TM-BT.TL | S.TM-BT.10 | Temperature Buffer Tank 10 | 0-10V | PT100 |
| 40 | K.EL-BS.DWW.VL | C.EL-BS.DHW.VL | Deaerator Building Side Domestic Hot Water Forerun | ||
| 41 | K.EL-BS.HC.VL | C.EL-BS.HC.VL | Deaerator Building Side Heating Circuit Forerun | ||
| 42 | K.KV-BS.DWW.VL | C.BV-BS.DHW.VL | Ball Valve Building Side Domestic Hot Water Forerun | ||
| 43 | A.KV-BS.DWW.VL | A.DR-BS.DHW.VL | Drive Ball Valve Building Side Domestic Hot Water Forerun | 2x digital | |
| 44 | K.KV-HC.VL.aBT | C.BV-HC.VL.aBT | Ball Valve Heating Circuit Forerun after Buffer Tank | ||
| 45 | A.KV-HC.VL.aBT | A.DR-HC.VL.aBT | Drive Ball Valve Heating Circuit Forerun after Buffer Tank | 2x digital | |
| 46 | S.TM-BS.DWW.VL | S.TM-BS.DHW.VL | Temperature Building Side Domestic Hot Water Forerun | 0-10V | PT100 |
| 47 | S.TM-BS.HC.VL | S.TM-BS.HC.VL | Temperature Building Side Heating Circuit Forerun | 0-10V | PT100 |
| 48 | S.TM-BS.HC.RL | S.TM-BS.HC.RL | Temperature Building Side Heating Circuit Return | 0-10V | PT100 |
| 49 | S.TM-BS.DWW.RL | S.TM-BS.DHW.RL | Temperature Building Side Domestic Hot Water Return | 0-10V | PT100 |
| 50 | S.FW-BS.DWW.RL | S.FW-BS.DHW.RL | Flow Water Building Side Domestic Hot Water Return | 0-10V oder 4-20 mA | 25 l/min |
| 51 | A.V3-BS.HC.RL | C.V3-BS.HC.RL | 3-Way Valve Building Side Heating Circuit Return | ||
| 52 | A.DR-V3.HC.RL | A.DR-V3.BS.HC.RL | Drive 3-Way Valve Building Side Heating Circuit Return | 0-10V | |
| 53 | K.KV-BS.CC.VL | C.BV-BS.CC.VL | Ball Valve Building Side Cooling Circuit Forerun | ||
| 54 | A.KV-BS.CC.VL | A.DR-BS.CC.VL | Drive Ball Valve Building Side Cooling Circuit Forerun | 2x digital | |
| 55 | K.KV-BS.HC.VL | C.BV-BS.HC.VL | Ball Valve Building Side Heating Circuit Forerun | ||
| 56 | A.KV-BS.HC.VL | A.DR-BS.HC.VL | Drive Ball Valve Building Side Heating Circuit Forerun | 2x digital | |
| 57 | A.PU-BS.DWW.VL | A.PU-BS.DHW.VL | Pump Building Side Domestic Hot Water Forerun | 0-10V | |
| 58 | K.WT-BS.DWW | C.HX-BS.DHW | Heatexchanger Building Side Domestic Hot Water | ||
| 59 | S.TM-CS.DHW.VL | Temperature Consumer Side Domestic Hot Water Forerun | 0-10V | PT100 | |
| 60 | K.EL-BS.HC.RL | C.EL-BS.HC.RL | Deaerator Building Side Heating Circuit Return | ||
| 61 | K.KV-BS.HC.OU | C.BV-BS.HC.OU | Ball Valve Building Side Heating Circuit Outlet | not found | |
| 62 | K.KV-BS.HC.IN | C.BV-BS.HC.IN | Ball Valve Building Side Heating Circuit Inlet | ||
| 63 | K.KV-BS.FW.VL | C.BV-BS.FW.VL | Ball Valve Building Side Fresh Water Forerun | ||
| 64 | K.KV-BS.FW.CK | C.BV-BS.FW.CK | Ball Valve Building Side Fresh Water Circulation | ||
| 65 | K.KV-BS.FW.RL | C.BV-BS.FW.RL | Ball Valve Building Side Fresh Water Return | ||
| 66 | S.TM-BS.CC.RL | S.TM-BS.CC.RL | Temperature Building Side Cooling Circuit Return | 0-10V | PT100 |
| 67 | K.EL-BS.CC.RL | C.EL-BS.CC.RL | Deaerator Building Side Cooling Circuit Return | ||
| 68 | K.KV-CC.VL.OU | C.BV-CC.VL.OU | Ball Valve Cooling Circuit Forerun Outlet | not found | |
| 69 | K.KV-CC.RL.IN | C.BV-CC.RL.IN | Ball Valve Cooling Circuit Return Inlet |
Booster Heat Pump Control Signals
| ID | Signal | Comment |
|---|---|---|
| A.HS-HP.ON | pot. free relais | to X4.1 (Cable 0) Heat Pump on |
| A.CS-HP.ON | pot. free relais | to X4.6 (Cable 1) Heat pump in cooling (true) or heating (false) |
| A.HS-HP.CM | pot. free relais | to X... (Not implemented by manufacturer yet, has to be done manually on the display) Set Control Mode of BHP (true: power; false: temperature) |
| A.HS-HP.Tyco3.ON | 24V | to X... (not implemented yet) Common signal to enable thyristor and notify BHP |
| A.HS-HP.ML | 0-10 V | to X4.2 (Cable 2) Set temperature or power (via compressor RPM) for heat pump unit |
| A.HS-DT.ML | 0-10 V | to X4.5 (Cable 3) Set temperature for Heat Exchanger |
| Error_HP_in | pot. free | from X3.1 Error output from heat pump via relais and a voltage divider (0V: ok | ~9,5V: error) |
Data Sheet Booster Heat Pump:
(German) (English)
Pdf of the Scheme:



3 Kommentare
Unbekannter Benutzer (ge74van) sagt:
24. Januar 2023Is the PDF for the booster heat pump available for download? So that I can translate it to English using google translate functions.
Unbekannter Benutzer (gu62xur) sagt:
25. Januar 2023I added the technical documentation in English - on page 13 to 15 you can find technical information about the heat pump, including a detailed COP / power look up table.
Ulrich Ganslmeier sagt:
27. Januar 2023The data sheet describes a newer version of the same heat pump model. At least the pin assignment for external control and the internal structure depicted in the manual do not exactly match the system installed in CoSES.
The COP/power values mentioned in the manual apply for the heat pump type 'F06'. The one downstairs is type 'F14' and has a higher power rating accordingly.